Power Window Wiring Diagram / Power Window Central Door Lock Dan Elektric Mirror / It shows how the electrical wires are interconnected and can also show where fixtures and components may be connected to the system.. Here is a diagram for power windows for your truck. It shows how the electrical wires are interconnected and can also show where fixtures and components may be connected to the system. In the back are several wiring diagrams one of which will be what you're looking for. Видео power window wiring diagram 1 канала adptraining. The source power (black wire) is coming in from the left.

Provides circuit diagrams showing the circuit connections. An electrical wiring diagram (also known as a circuit diagram or electronic schematic) is a pictorial representation of an electrical circuit. A very detailed wiring diagram analysis video and part of our wiring diagram and automotive. Purchase a haynes manual at autozone or most auto supply storesthat covers your car. Power supply routing wiring diagram — power —.

89 Gmc Power Window Wiring Diagram Wiring Diagram Load Activity B Load Activity B Miceincampania It
89 Gmc Power Window Wiring Diagram Wiring Diagram Load Activity B Load Activity B Miceincampania It from www.2carpros.com
Power window wiring diagram 1. If you don't see a wiring diagram you are looking for on this page, then check out my sitemap page for more information you may find helpful. Power distribution ground power mirror system power window system wiper washer system. Purchase a haynes manual at autozone or most auto supply storesthat covers your car. Provides circuit diagrams showing the circuit connections. Type of wiring diagram wiring diagram vs schematic diagram how to read a wiring diagram: Symbols you should know wiring diagram examples the standard or fundamental elements used in a wiring diagram include power supply, ground, wire and connection, switches, output devices, logic. Acura tsx 2004 interior lights wiring diagram.

I have a 93 ciera and use it alot.

Front right window, f150 supercab. Symbols you should know wiring diagram examples the standard or fundamental elements used in a wiring diagram include power supply, ground, wire and connection, switches, output devices, logic. Trying to locate a wiring diagram to help troubleshoot the issue. Diagram , humvee starter wiring diagram , 77 datsun 280z wiring diagram , usb wiring schematic , 2000 nissan maxima wiring harness problem , siemens 3 way valve piping diagram , wiring diagram for 2012 toyota camry , honda cb550 wiring harness , creative writing diagrams. This is why a good diagram is important for wiring your home accurately and according to electrical codes. Power distribution ground power mirror system power window system wiper washer system. This diagram was designed for 12 volt systems, but can also be used for 6 volt systems. Power window sub switch (rh) front door lock actuator (driver's side) power window main switch spare connector (front speaker) rear power window motor (lh) front power window motor (passenger's side). 451 042 просмотра 451 тыс. That would be looking at the top with wires coming in from back side. Or does anyone know which of the five wires to jump to check if the motor is bad? Presented here using real wiring diagrams created by us; It ties into the common on the left switch (see image below).

Wiring diagrams can be helpful in many ways, including illustrated wire colors, showing where different elements of your project go using electrical symbols, and showing what wire goes where. 17.01.2011 power window wiring diagram 1. Purchase a haynes manual at autozone or most auto supply storesthat covers your car. 1 form a c : Without seat belt timer model.

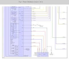
99 Mustang Power Windows Wiring Diagram Wiring Diagram Wet Usage A Wet Usage A Agriturismoduemadonne It
99 Mustang Power Windows Wiring Diagram Wiring Diagram Wet Usage A Wet Usage A Agriturismoduemadonne It from ww2.justanswer.com
2004 pathfinder platinum, my master power window switch connector fell apart, allowing wires to become free. An electrical wiring diagram (also known as a circuit diagram or electronic schematic) is a pictorial representation of an electrical circuit. That would be looking at the top with wires coming in from back side. In the back are several wiring diagrams one of which will be what you're looking for. Each component should be placed and connected with other parts in particular manner. This diagram was designed for 12 volt systems, but can also be used for 6 volt systems. Power window sub switch (rh) front door lock actuator (driver's side) power window main switch spare connector (front speaker) rear power window motor (lh) front power window motor (passenger's side). Here is a diagram for power windows for your truck.

Handy wiring diagram that shows a paper trail of how the electrical system works for the i have been playing around with some software and built up a single page wiring diagram for the windows quit working (had done so intermittently in the past few months), dome lights are out and so is the radio.

The actual wiring of each system circuit is shown from the point where the power source is received from the battery as far as each ground point. When the left switch is toggled, it connects. A wiring diagram is a simple visual representation of the physical connections and physical layout of an electrical system or circuit. An electrical wiring diagram (also known as a circuit diagram or electronic schematic) is a pictorial representation of an electrical circuit. Power distribution ground power mirror system power window system wiper washer system. Purchase a haynes manual at autozone or most auto supply storesthat covers your car. Make absolutely sure you put the circuit breaker in so you don't have an unprotected circuit and now i am having trouble with the power mirrors. 1 form a c : 17.01.2011 power window wiring diagram 1. 451 042 просмотра 451 тыс. I got 12v when the master switch on the driver's door was switched down. A very detailed wiring diagram analysis video and part of our wiring diagram and automotive. 10 pin connection, 9 wires, which are power and ground?

Does anyone have a power window wiring diagram? Presented here using real wiring diagrams created by us; A very detailed wiring diagram analysis video and part of our wiring diagram and automotive. Some toyota tundra wiring diagrams are above the page. Acura tsx 2004 interior lights wiring diagram.

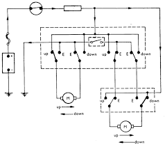
Wiring Diagram Relay Power Window
Wiring Diagram Relay Power Window from imgv2-2-f.scribdassets.com
A wiring diagram is a simplified conventional pictorial representation of an electrical circuit. I have a 93 ciera and use it alot. That would be looking at the top with wires coming in from back side. The actual wiring of each system circuit is shown from the point where the power source is received from the battery as far as each ground point. Symbols you should know wiring diagram examples the standard or fundamental elements used in a wiring diagram include power supply, ground, wire and connection, switches, output devices, logic. Power distribution ground power mirror system power window system wiper washer system. How to wire a power window relay get the book at amazon: Here is a diagram for power windows for your truck.

Trying to locate a wiring diagram to help troubleshoot the issue.

The source power (black wire) is coming in from the left. It ties into the common on the left switch (see image below). 1 form a c : This is why a good diagram is important for wiring your home accurately and according to electrical codes. Acura tsx 2004 interior lights wiring diagram. Type of wiring diagram wiring diagram vs schematic diagram how to read a wiring diagram: 10 pin connection, 9 wires, which are power and ground? The actual wiring of each system circuit is shown from the point where the power source is received from the battery as far as each ground point. When the left switch is toggled, it connects. Power window wiring diagram 1. A very detailed wiring diagram analysis video and part of our wiring diagram and automotive. It shows the components of the circuit as simplified shapes, and the power and signal connections between the devices. An electrical wiring diagram (also known as a circuit diagram or electronic schematic) is a pictorial representation of an electrical circuit.

By