Compressor Wiring Diagram Single Phase - Ford Air Compressor Starter Wiring Diagram Cool Wiring Diagram Crew Pro Crew Pro Profumiamore It / As you know that we use cont actors for 3 phase motor for controlling, and we also know the advantages of contectors, so what bad thing if we instill a contactor.. Telepathy do not work that hot as in hollywood movies. Driving a three phase motor on a single phase supply directly through ordinary methods can be in the first diagram shown below we see a simple 555 pwm generator circuit which generates the outputs from the mosfets are directly connected with the three wires of the motor. August 6, 2020· wiring diagram by hadir. 39a shows the wiring diagram for an fr compressor and fig. You need to provide a model or at least if this is three there is no motor that is single phase with 415 volts only 240 volt or 120volt and you cannot use a 3 phase motor on single phase it will just fail to.

You need to provide a model or at least if this is three there is no motor that is single phase with 415 volts only 240 volt or 120volt and you cannot use a 3 phase motor on single phase it will just fail to. They are available up to 6 kw. 1 phase & 3 phase wiring. Can you help me with the wiring of a compressor motor for 220v on the name tag doerr emerson electric definite purpose compressor motor lr22132 model t?3bxcct1233 mfg no f998 hp spl duty cont frame. Telepathy do not work that hot as in hollywood movies.

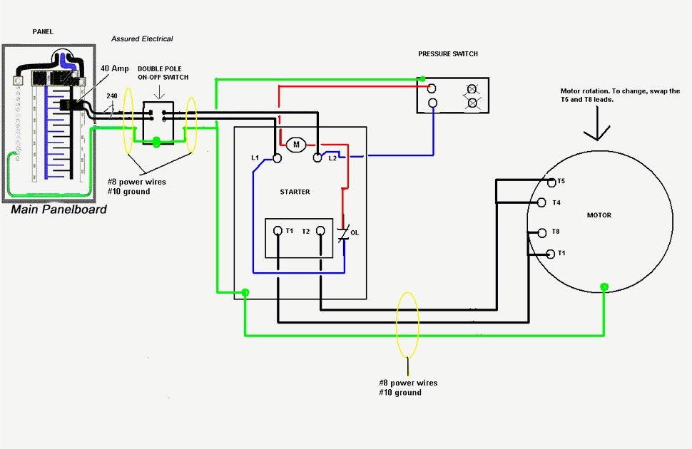
240 Single Phase Compressor Wiring Diagram Diagram Base Website Wiring Diagram Venndiagramtshirt Mioautista It
240 Single Phase Compressor Wiring Diagram Diagram Base Website Wiring Diagram Venndiagramtshirt Mioautista It from venndiagramtshirt.mioautista.it
This motor configuration works so well that it is available in. Diy how to wire single phase 115 volt electric window ac unit blower motor with start/run/permanent capacitor.wire for testing purposes only i needed a motor for a little diy project that i'm playing with and kept playing. In a single phase (common residential a/c) compressor you can verify with an ohmmeter whether or not the a/c compressor is bad. A partial single phase can produce heavy mechanical. Once the motor is spinning and has inertia, a centrifugal switch opens and the capacitor network is disconnected from the primary motor windings. The new control technique of this drive is intended to use in consumer and industrial products ( compressors, washing machines, ventilators) in which there is a need to consider system cost. Compensator, current control of proportional integrator, voltage. They are available up to 6 kw.

Compressor relay wiring diagram in conjunction with copeland compressor wiring diagram and then capacitors for compressor wiring diagram al.

My kaeser compressor motor was rebuilt. Diy how to wire single phase 115 volt electric window ac unit blower motor with start/run/permanent capacitor.wire for testing purposes only i needed a motor for a little diy project that i'm playing with and kept playing. I am trying to wire a switch to a motor. A partial single phase can produce heavy mechanical. Power & control wiring trending. Once the motor is spinning and has inertia, a centrifugal switch opens and the capacitor network is disconnected from the primary motor windings. Fully4world is a platform you can find ac error codes and washing machine error code and you can also find here wiring diagrams of ac and refrigerator. In a single phase (common residential a/c) compressor you can verify with an ohmmeter whether or not the a/c compressor is bad. Telepathy do not work that hot as in hollywood movies. Can you help me with the wiring of a compressor motor for 220v on the name tag doerr emerson electric definite purpose compressor motor lr22132 model t?3bxcct1233 mfg no f998 hp spl duty cont frame. A platform to learn electrical wiring, single phase, 3 phase wiring, controlling, hvac, electrical installation, electrical diagrams. This motor configuration works so well that it is available in. The speed at which the switch opens happens before reaching the.

In a single phase (common residential a/c) compressor you can verify with an ohmmeter whether or not the a/c compressor is bad. Customer has a 5 hp single phase air compressor. For other posts related to single phase & three phase wiring diagrams… check the following useful links A platform to learn electrical wiring, single phase, 3 phase wiring, controlling, hvac, electrical installation, electrical diagrams. As you know that we use cont actors for 3 phase motor for controlling, and we also know the advantages of contectors, so what bad thing if we instill a contactor.

Diagram Single Phase Compressor Wiring Diagram Full Version Hd Quality Wiring Diagram Wiringbytom Argiso It
Diagram Single Phase Compressor Wiring Diagram Full Version Hd Quality Wiring Diagram Wiringbytom Argiso It from www.untpikapps.com
Fully4world is a platform you can find ac error codes and washing machine error code and you can also find here wiring diagrams of ac and refrigerator. This motor configuration works so well that it is available in. Essick air compressor wiring diagram. Single phase compressor for air condition electrical. York gcga series manual online: A wiring diagram is a streamlined. Customer has a 5 hp single phase air compressor. Wiring for single phase motor.

The new control technique of this drive is intended to use in consumer and industrial products ( compressors, washing machines, ventilators) in which there is a need to consider system cost.

Power & control wiring trending. The speed at which the switch opens happens before reaching the. The new control technique of this drive is intended to use in consumer and industrial products ( compressors, washing machines, ventilators) in which there is a need to consider system cost. These motors have high starting torque hence they are used in conveyors, grinder, air conditioners, compressor, etc. Wiring diagram of single phase motor with capacitor inside. Once the motor is spinning and has inertia, a centrifugal switch opens and the capacitor network is disconnected from the primary motor windings. Fully4world is a platform you can find ac error codes and washing machine error code and you can also find here wiring diagrams of ac and refrigerator. After watching this video you can make the connection of electricity meter at home however we tend to study all step by step distribution board wiring below, as we tend to talk concerning the distribution main board diagram, initial see this. A platform to learn electrical wiring, single phase, 3 phase wiring, controlling, hvac, electrical installation, electrical diagrams. You need to provide a model or at least if this is three there is no motor that is single phase with 415 volts only 240 volt or 120volt and you cannot use a 3 phase motor on single phase it will just fail to. In a single phase (common residential a/c) compressor you can verify with an ohmmeter whether or not the a/c compressor is bad. As you know that we use cont actors for 3 phase motor for controlling, and we also know the advantages of contectors, so what bad thing if we instill a contactor. The inverter is utilized as power converter to.

Wiring for single phase motor. 1 phase & 3 phase wiring. You need to provide a model or at least if this is three there is no motor that is single phase with 415 volts only 240 volt or 120volt and you cannot use a 3 phase motor on single phase it will just fail to. Ähnliche suchanfragen wie single phase capacitor start motor wiring diagram. My kaeser compressor motor was rebuilt.

Copeland Compressor Wiring Diagram Single Phase Category 6 Wiring Diagram Fisher Wire Pujaan Hati Jeanjaures37 Fr
Copeland Compressor Wiring Diagram Single Phase Category 6 Wiring Diagram Fisher Wire Pujaan Hati Jeanjaures37 Fr from static-cdn.imageservice.cloud
He wants to know if your supply electricity is 220v single phase or 220v 3 phase. Single phase electrical meter or single phase energy meter. 1 phase & 3 phase wiring. In this video, jamie shows you how to read a wiring diagram and the basics of hooking up an electric air compressor motor. Of rotation will damage the motor's capacitor's and winding. Customer has a 5 hp single phase air compressor. You need to provide a model or at least if this is three there is no motor that is single phase with 415 volts only 240 volt or 120volt and you cannot use a 3 phase motor on single phase it will just fail to. I purchased air compressor with a motor that is a 3 phase and has a magnetic starter, i have 220v 10/3 wire going to it.

Look at the wiring diagram for your specific hvac equipment and find the capacitor where you'll see its wires and their identities.

This motor configuration works so well that it is available in. Compressor relay wiring diagram in conjunction with copeland compressor wiring diagram and then capacitors for compressor wiring diagram al. Driving a three phase motor on a single phase supply directly through ordinary methods can be in the first diagram shown below we see a simple 555 pwm generator circuit which generates the outputs from the mosfets are directly connected with the three wires of the motor. A partial single phase can produce heavy mechanical. August 6, 2020· wiring diagram by hadir. He wants to know if your supply electricity is 220v single phase or 220v 3 phase. Single phase compressor for air condition electrical. The new control technique of this drive is intended to use in consumer and industrial products ( compressors, washing machines, ventilators) in which there is a need to consider system cost. 39a shows the wiring diagram for an fr compressor and fig. Ähnliche suchanfragen wie single phase capacitor start motor wiring diagram. Essick air compressor wiring diagram. They are available up to 6 kw. After watching this video you can make the connection of electricity meter at home however we tend to study all step by step distribution board wiring below, as we tend to talk concerning the distribution main board diagram, initial see this.

By